НАСОСЫ СЕРИИ ДС-125

Blog Sample Image
Особенности конструкции

Насосное оборудование марки ДС-125 представляет собой шестерённое устройство, которое обладает внешним зацеплением. Функционирование данной станции основано на следующих процессах: ведущая шестерня, соединённая с ведомым элементом, создаёт вращательные движения, во время которых между зубьями, выходящими из зацепления, происходит образование специальной области низкого давления (вакуумной среды). В свою очередь, в область всасывания переносится используемое рабочее вещество (битум, мазут и т.п.) перемещаясь, впоследствии, в противоположную сторону агрегата, где создаётся область повышенного давления. После этого, происходит выталкивание вязкой жидкости в выходное отверстие. При этом, все действующие элементы оборудования ДС-125 смазываются тем веществом, перекачка которого происходит.

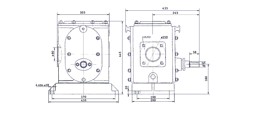
Габаритные размеры

Blog Sample Image